Танк Т-80 [В Борзенко] (fb2) читать онлайн


 [Настройки текста]  [Cбросить фильтры]
  [Оглавление]

Танк Т-80


ВНИМАНИЮ НАШИХ ЧИТАТЕЛЕЙ!
Вы можете приобрести в редакции следующие номера «БРОНЕКОЛЛЕКЦИИ», выпущенные в 2008–2012 гг.

За 2008 год:

№ 1 — монография «ИСТРЕБИТЕЛЬ ТАНКОВ „МАРДЕР“»;

№ 2 — монография «ЛЁГКИЙ ТАНК М41»;

№ 3 — монография «ТАНКЕТКА Т-27 И ДРУГИЕ»;

№ 4 — монография «СРЕДНИЙ ТАНК Т-55., ч.1»;

№ 5 — монография «СРЕДНИЙ ТАНК Т-55., ч.2»;

№ 6 — монография «ГУСЕНИЧНЫЙ ПЛАВАЮЩИЙ ТРАНСПОРТЁР К-61».

За 2009 год:

№ 1 — монография «БРОНЕТАНКОВАЯ ТЕХНИКА США 1939–1945»;

№ 2 — монография «ПОЛУТОРАТОННЫЕ ГРУЗОВИКИ ГЕРМАНИИ 1939–1945»;

№ 3 — монография «БРОНЕТЕХНИКА ЛЕНД-ЛИЗА»;

№ 4 — монография «ТЯЖЁЛЫЙ ТАНК Т-10»;

№ 5 — монография «КОЛЁСНЫЕ БРОНЕАВТОМОБИЛИ ФРАНЦИИ 1920–1945»;

№ 6 — монография «ТАНКИ ФРАНЦИИ. 1920–1940 гг.».

За 2010 год:

№ 1 — монография «БРОНЕТРАНСПОРТЁРЫ НА ШАССИ UNIMOG. 1950–2009 гг.»;

№ 2 — монография «БРОНЕТЕХНИКА АРМИИ АВСТРАЛИИ»;

№ 3 — монография «ТАНК ПОБЕДЫ ИС-3»;

№ 4 — монография «ТРАНСПОРТЁРЫ ТАНКОВ 1930–1940 гг.»;

№ 5 — монография «ТАНКИ АНГЛИИ ВТОРОЙ МИРОВОЙ ВОЙНЫ»;

№ 6 — монография «МНОГОЦЕЛЕВОЙ ТРАНСПОРТЁР-ТЯГАЧ МТ-ЛБ».

За 2011 год:

№ 1 — монография «МНОГОЦЕЛЕВОЙ ТРАНСПОРТЁР-ТЯГАЧ МТ-ЛБ. ЧАСТЬ II. БОЕВЫЕ МАШИНЫ НА ШАССИ МТ-ЛБ»;

№ 2 — монография «БРОНЕТЕХНИКА ИТАЛИИ. 1930–1940 гг.»;

№ 3 — монография «ТАНК Т-84 „ОПЛОТ“»;

№ 4 — монография «ТАНК Т-72»;

№ 5 — монография «БОЕВАЯ БРОНИРОВАННАЯ МАШИНА „СТРАЙКЕР“ США»;

№ 6 — монография «БРОНЕТЕХНИКА ПОЛЬШИ. 1939 г.».

За 2012 год:

№ 1 — монография «„МЕРКАВА“ ТАНК ИЗРАИЛЯ»;

№ 2 — монография «ББМ М113 АРМИИ США»;

№ 3 — монография «ОСНОВНОЙ БОЕВОЙ ТАНК Т-64»;

№ 4 — монография «АРМЕЙСКИЙ БРОНЕАВТОМОБИЛЬ США „ХАММЕР“».

СОЗДАНИЕ ТАНКА С ГТД

Танк Т-80УД 4-й гвардейской Кантемировской танковой дивизии на одной из улиц Москвы. Август 1991 г.


19 апреля 1968 г. совместным постановлением ЦК КПСС и Совета Министров СССР «О создании газотурбинных силовых установок для объектов бронетанковой техники» Специальному конструкторскому бюро (СКБ-2) при ленинградском Кировском заводе (ЛКЗ) поручалось создание новой машины с газотурбинной силовой установкой на базе танка Т-64.

Разработать сам двигатель должно было также ленинградское авиадвигательное Научно-производственное объединение им. Климова. Предлагалось сконструировать новый тип силовой танковой установки — газовую турбину, применявшуюся до этого только в авиа- и судостроении.

Газотурбинный двигатель (ГТД) сулил неоспоримые преимущества по сравнению с дизелем: при том же объёме возможно было получить гораздо большую мощность. Это позволило бы танку достичь более высоких скоростей, существенно поднять манёвренность на поле боя, улучшить управление самой машиной.

Опыт применения ГТД советские танкостроители уже имели, особенно на Кировском заводе. В 1948 г. здесь в СКБ турбинного производства под руководством главного конструктора А. Старостенко был выполнен проект тяжёлого танка с таким двигателем, правда, так и оставшийся проектом. Когда в 1955 г. Кировскому заводу поручили создание нового тяжёлого танка с двигателем 1000 л.с. — массой до 55 т и с 130-мм пушкой, работы повели в двух направлениях: рассматривались варианты и с дизелем («объект 277»), и с ГТД («объект 278»). Два опытных образца ГТД конструировали под руководством Г. Оглоблина.

В 1957 г. на ЛКЗ изготовили две опытные газотурбинные установки ГТД-1 для «объекта 278», создававшегося на базе танков ИС-7 и Т-10. Они должны были обеспечить образцу массой 53,5 т скорость свыше 57 км/ч. Но вскоре все работы, касавшиеся тяжёлых танков, в нашей стране были прекращены. «Объект 278» достроить не смогли. Всё же поиски в этом направлении на заводе продолжались. В 1960-х гг., например, испытывался «объект 288» на базе танка Т-64 с двумя вертолётными ГТД-350 мощностью 350 л.с. каждый.


Танки Т-80 проходят в парадном строю по площади Хабаровска. Парад в честь 65-летия Победы. Хабаровск, 9 мая 2010 г.


В 1963 г. в харьковском КБ № 60 А. Морозова разработали опытный вариант танка Т-64Т с вертолётным ГТД-3ТЛ мощностью 700 л.с. В 1964 г. на «Уралвагонзаводе» в Нижнем Тагиле под руководством Л. Карцева был создан «объект 167Т» на базе Т-62 с турбиной ГТД-3Т мощностью 800 л.с.

В 1969 г. был изготовлен первый танк ленинградского Кировского завода с газотурбинным двигателем согласно требованиям постановления Правительства от 19 апреля 1968 г. Этот образец известен как «объект 219» с ГТД-1000 мощностью 1000 л.с., разработанный на НПО им. Климова; построен был на базе Т-64. Однако мощный двигатель, увеличившаяся масса машины, возросшие требования к динамическим характеристикам заставили внести существенные изменения в конструкцию машины, особенно в её ходовую часть. Пришлось разрабатывать новые амортизаторы и торсионы, направляющие и ведущие колёса, катки, даже гусеницы с обрезиненными дорожками. Одновременно башне придали новую форму, оптимизировали её конфигурацию. Но сохранили вооружение, автомат заряжания, боеприпасы, приборы наведения и наблюдения и т. д. Словом, машина, «сохраняя базовые конструкционные и компоновочные особенности предшественников, в полной мере могла считаться новой», хотя её и постарались во многом унифицировать с танками Т-64 и Т-72.

В 1976 г. танк был принят на вооружение бронетанковых частей Советской Армии под индексом Т-80 (обозначение «Гроза»).

Серийное производство малыми партиями велось на ленинградском Кировском заводе до 1978 г.

В те годы рост боевых возможностей танков НАТО, усовершенствование средств противотанковой обороны заставляли постоянно заниматься модификацией Т-80. Так, в 1978 г. на вооружение приняли модернизированный Т-80Б — на ЛКЗ и на Омском заводе транспортного машиностроения начался его массовый выпуск. На танк поставили более мощный двигатель, повысив энергетические возможности, усилили вооружение — новой пушкой и управляемым ракетным комплексом, усовершенствовали систему управления огнём, улучшили броневую защиту башни.

Танк Т-80Б стал одним из самых многочисленных в бронетанковых частях Советской Армии. К концу 1980-х гг. только в соединениях, расположенных за Уралом, находилось 3700 таких машин; в наших частях Группы советских войск в Германии в 1987 г. числилось почти 3000 танков Т-80Б и Т-80БВ.


Танк Т-80 ранних выпусков с башней от Т-64А.


В «Техническом описании и инструкции по эксплуатации танка Т-80Б» записано: «Благодаря мощному вооружению и совершенным приборам наблюдения танк способен поражать танки и другие бронированные машины, противотанковые средства, артиллерию, а также живую силу и другие цели. Мощная броневая защита позволяет танку выполнять боевые задачи при сильном огневом воздействии противника и в комплексе с системой коллективной защиты обеспечивает эффективное использование танка в условиях применения ядерного оружия и других средств массового поражения. Высокая подвижность танка обеспечивает хорошую манёвренность в бою».

Министр обороны Сирийской Арабской Республики М. Глас, руководивший боевыми действиями армии в Ливанской войне 1981–1982 гг., свидетельствовал: «Советский Т-80 — ответ Москвы на „Леопард-2“. Он не только равен германской машине, но и значительно превосходит её. Как солдат и специалист по танкам, я считаю Т-80 лучшим танком в мире».

КОНСТРУКЦИЯ ТАНКА Т-80Б

Танк Т-80Б унаследовал компоновку своих известных предшественников, в том числе и Т-64, с отделением управления в передней части корпуса. Здесь размещены сиденье механика-водителя, перед которым на днище находятся рычаги управления поворотом, педали подачи топлива, тормоза и регулируемого соплового аппарата (РСА), на лобовом листе расположены щит контрольных приборов, гирополукомпас ГПК-59. Над щитом — три призменных прибора наблюдения ТПНО-160; центральный прибор для вождения в ночное время заменяется на ночной смотровой ТВНЕ-4Б, который подсвечивается бортовой фарой ФГ-125 с ИК-фильтром.

Слева и справа от сиденья — топливные баки и бак-стеллаж, ещё два средних топливных бака находятся у задней стенки отделения; под сиденьем — блок управления стабилизатора вооружения. На днище — вращающееся контактное устройство башни. Рядом с ним имеется запасной люк на случай аварийного выхода.

Под контрольным щитом установлен водооткачивающий насос — на случай подтопления при преодолении водных преград. Четыре аккумуляторные батареи — в стеллаже за левым топливным баком.

С правого борта в отделении укреплены воздухозаборное устройство прибора радиационной и химической разведки (ПРХР) и аппарат внутренней связи ТПУ А-3. По днищу корпуса проходят торсионы подвески, по бортам — тяги приводов управления.

Боевое отделение занимает среднюю часть танка. В его башне установлена пушка с механизмом заряжания (МЗ), который обеспечивает подачу и досылание выстрелов, улавливает и размещает экстрагированные поддоны.

Место командира — справа от пушки, наводчика — слева. Перед сиденьем командира размещены аппарат ТПУ А-1, радиостанция, пульт управления МЗ, гидродинамический стопор пушки, датчик линейных ускорений стабилизатора вооружения, щиток управления с тумблерами механизма остановки двигателя, РСА, противопожарного оборудования (ППО). Под сиденьем — электрический блок управления МЗ.

В командирской башенке смонтированы призменные смотровые приборы наблюдения — два ТНПО-160 и командирский прибор ТКН-3В, выключатели фары, габаритного огня и осветителя башни.

Комбинированный дневной-ночной прибор наблюдения ТКН-3В независимо стабилизирован в вертикальной плоскости; он имеет два дневных оптических канала однократного и 7-кратного увеличения и пассивно-активный ночной канал; подсвечивается прибор осветителем с инфракрасным фильтром ОУ-3ГКУ.

ТНПО-160 находятся слева и справа от ТКН-3В.

Ещё два командирских призменных прибора наблюдения ТНПА-65 установлены в крышке башенного люка.

В дневное время наводчик в башне использует дневной танковый прицел-дальномер 1Г42, закреплённый слева от пушки; его оптическая головка размещается в бронированном корпусе на крыше. Поле зрения прибора стабилизировано в двух плоскостях, для чего был применён двухстепенный гироскоп.

1Г42 входит в танковую систему управления огнём (СУО) и предназначен для наблюдения за полем боя и ведением стрельбы. В его составе: пульт управления, оптический блок, стабилизирующий блок, блок дальности, измеритель временных интервалов с цифровым индикатором, головка наблюдения. Наблюдение и прицеливание ведутся через визуальный канал прибора. Дальность до цели замеряется квантовым прицелом-дальномером, который действует в комплексе со стабилизатором вооружения 2Э26М и баллистическим вычислителем 1В517 системы управления огнём.

В распоряжении наводчика находятся также ночной танковый прицел ТПН3-49, азимутальный указатель, пульт наводчика, пульт управления системой пуска дымовых гранат 902Б, аппарат ТПУ А-2, механизмы взвода-спуска пушки и стопор башни.


Танк Т-80 на смотровой площадке Военно-исторического музея артиллерии, инженерных войск и войск связи в Санкт-Петербурге.


С помощью ночного ТПН3-49 наводчик имеет возможность в тёмное время суток следить за обстановкой на поле боя, обнаруживать и опознавать цели, вести прицельный огонь из пушки и спаренного пулемёта. Этот прибор является пассивно-активным электронно-оптическим монокулярным перископом, имеющим зависимую от пушки стабилизацию поля зрения в вертикальной плоскости. Он обеспечивает работу в активном и пассивном режимах, круговое наблюдение при вращении башни, прицеливание, измерение углов цели для целеуказания; работает совместно с инфракрасным прожектором Л-4A. Однако при обнаружении в темноте объекта, подсвеченного рассеянным светом луны или звёзд, прибор может действовать в пассивном режиме, за счёт усиления освещённости своим электронно-оптическим усилителем. Устанавливается прицел на кронштейне в башне слева от прицела-дальномера.


Компоновочная схема танка Т-80.


Рабочее место наводчика в танке Т-80Б:
1 — прибор 1Г42; 2 — подъёмный механизм пушки; 3 — поворотный механизм башни; 4 — сиденье наводчика; 5 — азимутальный указатель; 6 — пульт наводчика ПО47-1С; 7 — блок управления и индикации ГТН-11; 8 — кран гидропневмоочистки; 9 — левый распределительный щиток; 10 — аппарат ТПУ А-2; 11 — тумблер включения прожектора Л-4А; 12 — пульт системы 902Б «Туча»; 13 — аварийная розетка; 14 — ночной прицел ТПН-3.


В крышке люка наводчика также размещён призменный прибор наблюдения ТНПА-65.

Силовое отделение — в корме танка. Здесь расположен двигатель с обслуживающими системами: топливной и смазочной; находятся приводы управления двигателем и трансмиссией, датчики и распылители системы противопожарного оборудования (ППО), датчики контрольно-измерительных приборов, насосный агрегат термической дымовой аппаратуры (ТДА). Сам двигатель выполнен в едином блоке со встроенным понижающим коническо-цилиндрическим редуктором и связан с двумя планетарными бортовыми коробками передач.

На танке поставлен газотурбинный двигатель ГТД-1000 мощностью 1000 л.с., выполненный по трёхвальной схеме с двумя независимыми турбокомпрессорами и турбиной. Регулируемый сопловой аппарат турбины ограничивает частоту её вращения. Запуск ГТД автоматизирован, а раскрутка роторов компрессоров производится с помощью двух электромоторов. Размеры двигателя: длина — 1495 мм, ширина — 1042 мм, высота — 888 мм. Его масса с редуктором — 1050 кг.


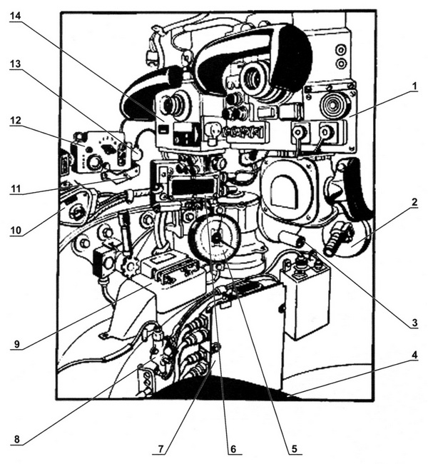
Рабочее место командира в танке Т-80Б:
1 — щиток коммуникаций; 2 — прибор наведения ТКН-3; 3 — пульт загрузки; 4 — вычислитель; 5 — визуальный указатель МЗ; 6 — устройство ввода поправок; 7 — пульт дублирования; 8 — механизм поворота конвейера; 9 — распределительный щиток.



На танке применена система автоматического управления режимом работы силовой установки (САУР) с датчиками температур, находящимися впереди и позади двигателя, регулятором температуры (РТ), концевыми выключателями под педалями тормоза и РСА, связанными с РТ и системой подачи топлива. САУР позволила не только снизить расход топлива при частом использовании тормоза и педали РСА, например, при движении по пересечённой местности, но и намного повысить ресурс турбины.

Используется также комбинированная система торможения с одновременным применением ГТД и механических гидравлических тормозов. Регулируемый сопловой аппарат турбины позволяет изменять направление потока газов; заставляя при этом её лопатки вращаться реверсивно. Таким образом с помощью РСА осуществляется разгон и торможение двигателя. Торможение танка при нажатии на тормозную педаль начинается посредством турбины, а затем включаются в работу и механические тормоза.

Существенное значение имеет и система воздухоочистки при большом расходе воздуха — до 4 кг/с — и высокой скорости его подачи. ГТД весьма чувствителен к наличию пыли в поступающем потоке. Поэтому двигатель имеет блок воздухоочистителя, два вентилятора отсоса пыли, воздушные фильтры соплового аппарата турбины, два воздуховода выброса охлаждающего воздуха и пыли, а также систему сдува из межлопаточных каналов рабочих колёс компрессоров при эксплуатации в условиях засорённости и запылённости (пустыни, песчаные бури, самум и т. п.). Система воздухоочистки работает в двух режимах: при движении на суше и с оборудованием ОПВТ под водой.

ГТД при одинаковом с дизельным двигателем занимаемом объёме имеет значительно большую мощность, легче в обслуживании, менее шумен. Кроме того, имеет меньший демаскирующий эффект в ИК-диапазоне, так как теплоотдача дизеля в несколько раз выше. Это, наряду с теплоизоляцией крыши и выпускных жалюзи, вентиляцией силового отделения, применением бортовых экранов, отсутствием больших нагретых поверхностей радиаторов системы охлаждения, обеспечивает низкий уровень теплового излучения, способствует тепломаскировке танка.


Башня танка. Перед открытой крышкой люка наводчика хорошо виден прицел-дальномер 1Г42, слева от него — ночной прицел ТПН3-49. Под люком механика-водителя находятся приборы наблюдения ТНПО-160. На верхнем лобовом листе установлены блоки динамической защиты.


Запускается двигатель при низких температурах без дополнительного разогрева.

Однако, поскольку ГТД имеет большой расход топлива — в 1,5–2 раза, то внутренние баки заняли больший объём моторно-трансмиссионного отделения (МТО), чем, скажем, на дизельном Т-64, поэтому корпус машины несколько удлинён.

Объём топливных баков: внутренних — 1100 л, пяти наружных — 700 л, двух-трёх дополнительных бочек — 400–600 л. Общий объём — 2200–2400 л.

Двигатель — многотопливный и работает на дизельном топливе, бензине А-72 и А-76, на топливных смесях ТС-1 и ТС-2.

В передней части крыши отделения имеются входные жалюзи, укрытые сверху металлическими сетками. Задняя их часть может открываться, хотя вся крыша — съёмная для проведения регламентных работ или при ремонте двигателя.

Для питания электроэнергией и подзарядки аккумуляторов при неработающем двигателе, а также для его прокрутки и запуска в бункере кормы машины размещён электроагрегат с генератором мощностью 18 кВт.

Корпус танка — сварной из броневых листов. Его носовую часть образуют наклонные верхний и нижний листы, сваренные не только между собой, но и с передним листом крыши, бортами и днищем. Лобовые детали — композитные бронеплиты; их состав: катаная сталь средней твёрдости, сталь высокой твёрдости, стеклотекстолит. В «стальном» эквиваленте их толщина соответствует 400 мм.

К носовым листам приварены планки крепления противоминного трала и кронштейны крепления оборудования для самоокапывания. На верхнем листе находятся буксирные крюки с защёлками, кронштейны фар с их ограждениями, скобы укладки и крепления буксирного троса, защитные щитки смотровых приборов механика-водителя. На стыке передних и бортовых листов вварены кронштейны направляющих колёс. На большинстве машин спереди имеется треугольный водоотбойник.

Нижний лобовой лист толщиной 100 мм имеет однородную структуру.

Бортовые листы корпуса — вертикальные, катаные, толщиной 80 мм. К ним снаружи приварены кронштейны и упоры балансиров, поддерживающих катков, цапфы гидроамортизаторов. Вдоль бортов протянуты защитные полки с наружными топливными баками, ящиками для ЗИП.


Прицел-дальномер 1Г42 входит в танковую систему управления огнём и предназначен для наблюдения за полем боя и ведения стрельбы.


Над направляющими колёсами — откидные грязевые щитки.

Кормовая часть корпуса состоит из сваренных между собой верхнего и нижнего кормовых листов; их толщина — 80 мм. На ней имеются буксирные крюки, кронштейны задних габаритных огней и дополнительных бочек с топливом, бонки крепления запасных траков; установлен короб выпускных жалюзи с замками-фиксаторами и стопором.

Крыша корпуса — также из сварных броневых листов, частью — над силовым отделением — съёмная.

Днище танка сварное — из трёх листов корытообразной формы с продольными и поперечными выштамповками для обеспечения жёсткости и размещения торсионов. В нём имеются люки технического обслуживания.


На левой стороне башни установлен блок пусковых установок дымовых гранат 902Б системы дымовой защиты «Туча», рядом с ними — фланец радиоантенны, на корме видна задняя фара.


Толщина листов крыши и днища — 30 мм.

Для защиты ходовой части навешиваются четырёхсекционные бортовые экраны из армированной резины.

Башня — фасонная броневая отливка. Комбинированная лобовая её часть имеет эквивалентную толщину 400–600 мм.

К верхней части башни приварена крыша с защитной головкой прицела-дальномера. Спереди находится амбразура пушки со сложным лабиринтом из двух пар защитных щёк и проточек, предохраняющим таким образом экипаж от проникновения внутрь осколков, а также от воздействия взрывной волны. Амбразура спаренного пулемёта — справа от пушки. Тут же приварен кронштейн осветителя Л-4А ночного прицела.

По бортам слева и справа от пушки имеются бонки крепления системы пуска дымовых гранат.

Командирская башенка с люком находится в правой половине крыши, люк наводчика — в левой. Около него находится фланец установки ночного прицела ТПН3-49, шахта прибора наблюдения.

В корме башни установлены задняя фара и габаритный огонь, фланец крепления антенны, кронштейны съёмного оборудования ОПВТ и рычаги его сброса, бонка крепления датчика ветра.

К низу башни приварен донный лист с отверстиями для болтов крепления к верхнему башенному погону. Опора башни — шариковая.

В танках начальных серий башня унифицировалась с танком Т-64А.


На башне слева находится зенитная дистанционная установка с патронной коробкой (пулемёт снят), крышка люка наводчика откинута. В центре — защитный щиток, установленный у люка командира, за ним — антенна радиостанции.


Гусеница танка с резинометаллическим шарниром и цевочным зацеплением. Ширина трака — 580 мм, число траков — 80. Масса гусеничной ленты — 1767 кг.


Откидные грязевые щитки расположены спереди танка над направляющими колёсами.


В ходовой части Т-80Б — по шесть сдвоенных опорных катков на борт, имеющих резиновые бандажи и диски из алюминиевого сплава. Ведущее колесо — заднее — сварено из двух литых дисков, двух съёмных зубчатых венцов и ограничительного диска. Направляющее колесо — переднее — также состоит из двух литых дисков с окнами для выброса грязи и снега. Масса опорных катков — 78 кг, ведущих колёс — 188 кг, направляющих в сборе с кривошипом — 230 кг, поддерживающих — 12 кг.

Подвеска — индивидуальная, торсионная, с несоосным расположением торсионных валов. На 1-м, 2-м и 6-м узлах установлены гидравлические телескопические амортизаторы. Механизмы натяжения — червячного типа. Траки гусеницы — их по 80 на каждой — штампованные, с резинометаллическим шарниром; ширина трака — 580 мм. На беговой дорожке гусеницы имеются резиновые подушки для снижения нагрузок на ходовую часть. При необходимости — для движения по шоссе во избежание его разрушения — на внешнюю поверхность гусеницы рекомендуется надевать резиновые асфальтоходные «башмаки». Масса гусеничной ленты — 1767 кг.

Ходовая часть танка обеспечивает плавность хода, низкий уровень шума и одновременно высокие динамические характеристики. Специалисты считают её наилучшей из всех имеющихся на наших танках.


В левой части башни установлены на кронштейнах ящики имущества, в центре крыши — датчик ветра.


В трансмиссии — две коробки бортовых передач в сборе с бортовым редуктором, по три планетарных ряда и по пять фрикционов на борт.

Вооружением танка Т-80Б являются 125-мм гладкоствольная пушка 2А46М-1 (Д-81 ТМ), 7,62-мм спаренный пулемёт ПКТ, зенитный 12,7-мм пулемёт НСВТ «Утёс», комплекс управляемого вооружения КУВ 9К112-1 «Кобра».

В боекомплект танка входят 38 выстрелов; из них 28 бронебойных подкалиберных, осколочно-фугасных, кумулятивных размещены в конвейере механизма заряжания. Другие пять снарядов и семь зарядов находятся в отделении управления в баке-стеллаже; ещё два снаряда и два заряда — у перегородки силового отделения между средними топливными баками, наконец, один снаряд — поставлен вертикально в боевом отделении за спинкой сиденья командира, а заряд — уложен на пол. 1250 патронов для пулемёта ПКТ размещены в магазинах в боевом отделении и на башенной установке, а магазины с 500 патронами для 12,7-мм НСВТ — на правой стороне кормы башни и также на пулемётной установке.


Ведущее колесо танка, над ним — защитные экраны ходовой части с соединительным замком.


Сдвоенные опорные катки, выходной болт «длинного» торсиона и амортизатор.


Огонь из пушки 2А46М-1 может вестись осколочно-фугасными снарядами (ОФС) 3ОФ19 выстрела 3ВОФ22 и 3ОФ26 выстрела 3ВОФ36, предназначенными для поражения живой силы, различной боевой техники и укрытий полевого типа. На них ставится взрыватель В-429Е, обеспечивающий три функции: фугасное, осколочное и замедленное действие снаряда. Для стрельбы прямой наводкой по танкам, самоходным артиллерийским установкам, другой бронетехнике в боекомплекте имеются кумулятивные снаряды (КС) 3БК12М выстрела 3ВКБ7 и 3БК14М выстрела 3ВБК10. Снаряды снабжены стабилизатором с шестью лопастями, трассером для слежения за его траекторией и попаданием в цель, работающим 6–7 с.

Кроме того, также по танкам и бронетехнике, но ещё и по бронеколпакам, амбразурам долговременных оборонительных сооружений огонь ведётся бронебойными подкалиберными снарядами (БПС) 3БМ9, 3БМ12, 3БМ15, 3БМ17 выстрелов 3ВБМ3, 3ВБМ6, 3ВБМ7, 3ВБМ8 соответственно. Сами снаряды имеют баллистические наконечники, а в задней своей части — трассеры с временем горения 2–3 с.

При стрельбе всеми типами танковых снарядов применяется единый заряд 4Ж40, состоящий из частично сгорающей гильзы и боевого порохового заряда со средствами воспламенения, пламегашения и прочими элементами, размещёнными в гильзе. При выстреле часть её корпуса, запрессованная в поддон, сгорает, сам металлический поддон выбрасывается из каморы пушки на улавливатель механизма заряжания.

Максимальная дальность стрельбы осколочно-фугасным снарядом — 10 000 м при оптимальном угле возвышения пушки. Дальность прямого выстрела кумулятивным снарядом — 1000 м, бронебойным подкалиберным — 2120 м.

Все выстрелы танка Т-80Б унифицированы с боеприпасами танков Т-64 и Т-72.

Заряжание пушки производится автоматически механизмом заряжания (МЗ). После каждого произведённого выстрела из канала ствола выбрасывается поддон, который укладывается в механизме улавливания МЗ. При нажатии на кнопку выбора типа снаряда пульта управления стабилизатор автоматически выводит пушку на определённый угол заряжания, затем приводится в движение конвейер, выводящий выбранный выстрел к казённой части. Здесь механизм подачи подаёт лоток к механизму досылания, который и «заряжает» пушку — затвор её закрывается. Одновременно предыдущий поддон из улавливателя перекладывается во вновь освободившийся лоток. Заряженная пушка снимается со стопора и стабилизатором выводится на линию прицеливания. После стрельбы цикл повторяется.

Минимальная продолжительность заряжания одного выстрела при повороте конвейера на один шаг — 7,1 с.


На нижней части переднего листа корпуса смонтирован бульдозерный отвал для самоокапывания танка. С его помощью отрывается капонир размерами 12x5,5x1,5 м в песчаном грунте за 15 минут.


Пушка снабжена устройством встроенного контроля выверки прицела наводчика.

Быстроразъёмное соединение трубы ствола с казёнником позволяет производить её замену в полевых условиях, не демонтируя при этом всю пушку из башни.

На танке поставлена система управления огнём СУО 1А33. Система предназначена для обеспечения эффективности огня, обнаружения целей и слежения за ними командиром и наводчиком, автоматического ввода поправок на отклонение условий стрельбы от нормальных, наведения и стабилизации вооружения, ввода целеуказания от командира.

С помощью СУО возможна стрельба по танкам и бронированным целям, движущимся со скоростью до 75 км/ч, по малоразмерным целям и живой силе с места и с ходу на скорости до 30 км/ч. Огонь может вестись как на прямой видимости, так и с закрытых позиций.

В состав системы входят: прицел-дальномер 1Г42, стабилизатор вооружения 2Э26М, комплект датчиков входной информации — ветра, крена корпуса, скорости танка, курсового угла, блок разрешения выстрела 1Г43, танковый баллистический вычислитель 1В517 (ТБВ).

Именно ТБВ вырабатывает поправки на дальность до цели, данные по углам прицеливания и углового упреждения пушки по автоматически вводимой информации датчиков и дальномера.

Стабилизатор вооружения 2Э26М — двухплоскостной, гироскопический, с электрогидравлическими приводами. При движении танка на поле боя гироскоп стабилизатора сохраняет неизменным своё положение в пространстве, обеспечивая тем самым неподвижность поля зрения прицела. Однако сама пушка по динамическим причинам (трение в цапфах, гидросопротивление в исполнительном цилиндре) имеет тенденцию некоторого отставания от «приказов» стабилизатора. Блок разрешения выстрела выдаёт команду на стрельбу только при обеспечении заданного минимального угла рассогласования между стабилизированной линией прицеливания и фактического положения пушки.

При замере дальности прицелом-дальномером запускается его оптический квантовый генератор, излучающий мощный короткий световой импульс в сторону цели, но частично попадающий и на фотодиод приёмного канала. Отразившись от цели, импульс света приходит обратно в фотоприёмное устройство. Промежуток времени между излучением и принятием отражённого сигнала соответствует дальности до цели.

Датчик ветра предназначен для выработки сигналов, пропорциональных боковой составляющей скорости ветра. Датчик крена вырабатывает сигналы, указывающие угол крена оси цапф пушки. Редуктор датчика скорости связан с вращающейся крышкой направляющего колеса, поэтому его сигнал пропорционален скорости танка. Кроме показаний этих датчиков, при ведении стрельбы часть необходимых показателей вводится в ТБВ вручную. Это данные по изменению температуры заряда, температуры воздуха, атмосферного давления, по износу ствола пушки.


Газотурбинный двигатель ГТД-1000ТФ мощностью 1000 л.с. с двумя независимыми турбокомпрессорами и турбиной. Двигатель имеет систему автоматического управления режимом работы САУР.


Зенитная установка танка с 12,7-мм пулемётом НСВТ «Утёс» дистанционного управления.


Основные узлы и аппаратура СУО располагаются по танку следующим образом: прицел-дальномер — в передней части башни слева от пушки; блок разрешения выстрела — в передней части башни под пушкой; танковый баллистический вычислитель — справа от сиденья командира; узлы стабилизатора вооружения — в корпусе и башне; блок управления — на полу под сиденьем наводчика; электроблок — на полу за сиденьем наводчика; датчик линейных ускорений — в башне танка за приборами наблюдения командира; датчик скорости танка — в его левом направляющем колесе; датчик крена — на полу справа от пушки; датчик ветра — на корме башни.

Кроме пушки и пулемётов, танк Т-80Б снабдили комплексом управляемого вооружения КУВ 9К112-1 «Кобра» для ведения из пушки эффективного огня управляемыми снарядами по танкам, бронетехнике, по малоразмерным укреплениям — с места и с ходу. Дальность стрельбы — до 4000 м, скорость движения целей — до 75 км/ч. Возможна и борьба с вертолётами, летящими со скоростью не более 300 км/ч на высоте до 500 м; дальность их поражения также до 4000 м.

Комплекс состоит из аппаратуры управления с передающим устройством, фотоприёмника, антенного блока, блока формирования и контроля команд, других приборов, и, конечно, самого управляемого снаряда 9М112М. Вся аппаратура размещена в боевом отделении танка в виде отдельных съёмных блоков и функционально связана с СУО танка.

Снаряд состоит из двух отсеков: головного и хвостового, которые соединяются на лотке МЗ при досылании в камору пушки; в танке они хранятся раздельно. В головном отсеке — боевая часть кумулятивного типа и маршевый двигатель; в хвостовом — размещены метательное устройство, рули, крылья, бортовая аппаратура, предназначенная для приёма, детектирования, усиления и дешифрирования команд управления.

При выстреле снаряд выбрасывается из ствола пушки пороховыми газами метательного устройства, раскрываются его крылья и рули, открывается излучатель обратной связи и антенна. Далее его скорость поддерживается маршевым двигателем.

Полуавтоматическое управление снарядом 9М112М осуществляется в пределах прямой видимости по радиолинии связи; обратная связь — посредством бортового модулированного источника света — излучателя. Наводчик должен постоянно удерживать прицельную марку на цели в течение всего времени полёта снаряда.

Средством маскировки танка служит термическая дымовая аппаратура постановки дымовых завес многократного действия. При работающем двигателе дизельное топливо через форсунки впрыскивается в выхлопные газы. За счёт высокой их температуры топливо испаряется, превращаясь в парогазовую смесь, которая, попадая в более холодный наружный воздух, конденсирует и образует туман. Расход топлива при этом минимальный и составляет всего 10 л/мин; цикл непрерывного действия — до 10 мин.



Вид на танк Т-80Б с кормы. К верхней части башни прикреплена труба ОПВТ, по бортам — дополнительные топливные бочки, ниже — направляющая решётка выхлопного устройства двигателя, под ней — бревно для самовытаскивания.


Этой же цели служат дымовые 81-мм гранаты системы 902Б, блоки которых устанавливаются по бортам башни. Дальность их пуска составляет 250–300 м, максимально обеспечивая фронт дымовой завесы при залпе четырёх гранат до 110–120 м. Масса гранаты — 2,4 кг; масса блочной пусковой установки — 3,6 кг.

Танк снабжён защитой от оружия массового поражения (ОМП). Это коллективная система, обеспечивающая защиту экипажа и внутреннего оборудования от воздействия ударной волны, радиоактивных и отравляющих веществ, с датчиками, измерительным пультом, блоком питания, установленными в нише внутреннего правого топливного бака, а также механически закрывающимися уплотнениями корпуса и башни.

Сама защита обеспечивается постановкой подбоя и надбоя, системой герметизации и фильтро-вентиляционной установкой подачи очищенного воздуха в обитаемые отсеки.

Подбой существенно ослабляет воздействие на экипаж гамма- и нейтронного излучения за счёт своего химического состава, а также препятствует разлёту небольших по размеру осколков брони внутри корпуса.

При необходимости экипаж имеет возможность пользоваться и штатными индивидуальными противорадиационными костюмами.

На борту также находятся приборы радиационной и химической разведки.



Имеется также противопожарное оборудование (ППО) — автоматическая система трёхразового действия 3ЭЦ13 «Иней». В неё включены 15 термодатчиков, рассеянных по всему корпусу танка, и три баллона огнегасящей жидкости с фреоном 114В2.

Средства связи унифицированы со всеми типами танков и других боевых машин. Приёмопередающая радиостанция Р-123М позволяет поддерживать связь на среднепересечённой местности с однотипными станциями на расстоянии не менее 20 км даже при движении на скорости 40 км/ч. Диапазон рабочих частот радиостанции — 20–51,5 МГц.

Оборудование для подводного вождения (ОПВТ), устанавливаемое на танке, предназначается для преодоления по дну водных преград, обеспечивая герметизацию корпуса и башни. В его комплект входят: воздухопитающая труба-шнорхель, уплотнения пушки и амбразуры пулемёта, выпускные клапаны, заслонки воздухоочистителя. Движение под водой по определённому направлению контролируется гирополукомпасом ГПК-59 с использованием радиосвязи. Никакой подготовки к ведению огня при выходе на берег не требуется.

Съёмная часть оборудования устанавливается за 35–37 мин, демонтаж его и укладка на танк производятся за 20 мин. Масса комплекта ОПВТ — 129 кг.

При необходимости для откачки воды из корпуса используются два насоса производительностью до 100 л/мин.

Для самоокапывания на корпусе танка — на его нижнем переднем листе — смонтирован бульдозерный отвал, имеются также приспособления для крепления минного трала КМТ-6.

Бульдозерный отвал имеет ширину 2140 мм; из походного в рабочее положение переводится за 1–2 мин, вновь в походное — за 3–5 мин. С его помощью можно отрыть капонир размерами 12x5,5x1,5 м в песчаном грунте за 12–15 мин, в глинистом — за 20–40 мин.

На самом корпусе танка размещаются: наружные топливные баки, включённые в общую топливную систему, ящики ЗИП, запасные траки, буксирные тросы, съёмное оборудование ОПВТ, укрывочный брезент. Обязательно следует иметь бревно для самовытаскивания; оно крепится на корме машины.



Т-80У.


Т-80БВ.

МОДИФИКАЦИИ ТАНКА Т-80

«Объект 219 сп 1», 1969 г. — первый вариант прототипа танка Т-80, модификация Т-64А: ходовая часть как у Т-64, газотурбинный двигатель ГТД-1000Т; разработка СКБ-2 ЛK3.

«Объект 219 сп 2», 1972 г. — второй вариант прототипа танка Т-80: новая ходовая часть с торсионной подвеской и гидроамортизаторами, гусеница с резинометаллическими шарнирами, обрезиненные катки, газотурбинный двигатель; разработан СКБ-2 ЛКЗ. На его базе началось серийное производство.

«Объект 219РД», 1975 г. — опытный образец варианта Т-80Б с дизельным двигателем 2В-16-2 мощностью 1000 л.с.; разработан СКБ-2 ЛКЗ, испытания проходил в 1975–1976 гг.

Т-80 («объект 219 сп 2»), 1976 г. — базовый танк, серийная модель; выпуск ЛКЗ до 1978 г. Башня от танка Т-64, двигатель ГТД-1000Т, пушка 2А46-1 с теплозащитным кожухом, электромеханический механизм заряжания, оптический прицел-дальномер ТПД-2-49, дополнительные блоки бронирования по бортам, новая марка бортовой стали БТК-1. Боевая масса — 42 т.

«Объект 478», 1976 г. — проект основного танка. Шасси Т-80 с дизельным двигателем 6ТД. Разработан КБ ХЗТМ.

«Объект 478М», 1976 г. — модернизация «объекта 478», дизельный двигатель 1244 мощностью 1500 л.с., комплекс активной защиты «Шатёр».

«Объект 644» — опытный танк, разработан КБ транспортного машиностроения в Омске; двигатель — дизельный В-46-6 мощностью 780 л.с.

Т-80Б («объект 219Р»), 1978 г. — базовый танк, серийная модель; разработан СКБ-2 ЛКЗ. Установлены: комплекс управляемого вооружения 9К112-1 «Кобра», СУО 1А33, система дымовых гранат 902А «Туча», пушка — 2А46-2. С 1980 г. — двигатель ГТД-1000ТФ мощностью 1100 л.с., с 1982 г. — пушка 2А46М-1 «Рапира», с 1985 г. — навесная динамическая защита. Боевая масса — 42,5 т.

Т-80А («объект 219А»), 1982 г. — опытный образец, модернизация Т-80. Разрабатывался СКБ-2 ЛКЗ с середины 1970-х гг. параллельно с «объектом 478» КБ ХЗТМ. С 1984 г. — навесная динамическая защита. На базе Т-80А разработан танк Т-80У.

Т-80БК («объект 630») — командирский вариант Т-80Б; разработан КБТМ в Омске, выпускался Омским заводом транспортного машиностроения (ОЗТМ). Дополнительная KB-радиостанция, навигационное оборудование.

Т-80БВ («объект 219РВ»), 1985 г. — серийная модификация Т-80Б; разработан СКБ-2 ЛКЗ, серийное производство ЛКЗ. Комплекс навесной динамической защиты «Контакт-1». Боевая масса — 43,7 т.

Т-80БВК — командирский вариант танка Т-80БВ. Дополнительная радиостанция, навигационная аппаратура, навесная динамическая защита.

Т-80БМ1 — опытный образец модификации Т-80Б. Комплекс активной защиты «Арена-Э».


Танки Т-80У на показательных выступлениях под управлением шведских экипажей на полигоне г. Шёвде. Швеция, 1993 г.



Т-80У («объект 219АС»), 1985 г. — развитие модификации Т-80А; разработан СКБ-2 ЛКЗ, серийный выпуск ЛКЗ и ОЗТМ. Комплекс управляемого вооружения 9К119 «Рефлекс», СУО 1А45 «Иртыш», пушка 2А46М-1, система дымовых гранат 902Б «Туча», система ППО 3ЭЦ13 «Иней», встроенная динамическая система, усиленные бортовые экраны, оборудование самоокапывания, крепления для колейного минного трала. С 1990 г. — двигатель ГТД-1250 мощностью 1250 л.с., комплекс управления вооружением 9К119М «Инвар». Боевая масса — 46 т.

«Объект 219Е» — опытный образец Т-80Б. Комплекс оптико-электронного подавления от высокоточного оружия «Штора» с тепловизионным ночным прицелом.

Т-80УМ («объект 219АС-М»), 1992 г. — модернизация Т-80У; разработка СКБ-2 ЛКЗ, серийное производство ОЗТМ. Увеличен размер башни, тепловизионный прицел «Агава-2», радиостанция Р-163-50У.

Т-80УК («объект 630А»), начало 1990-х гг. — командирский вариант Т-80У; разработан КБ ОЗТМ, серийное производство ОЗТМ. Радиостанции Р-163У и Р-163К, КОЭП «Штора-1», навигационная аппаратура ТНА-4, автономная электроустановка АБ-1-П28, тепловизионный прицел «Агава-2», система дистанционного подрыва мин и фугасных снарядов, новый датчик параметров атмосферы.

Т-80УЕ, 1995 г. — модификация Т-80У, разработанная для участия в греческом тендере на поставку танков. Новые органы управления, гидрообъёмная передача.

Т-80УМ-1 «Барс» («объект 219АС-М1»), 1997 г. — вариант Т-80УМ; разработан КБ ОЗМТ, производство ОЗМТ. Двигатель ГТД-1250Г, пушка 2А46М-4, КОЭП «Штора-1», ТВН-5, Р-163-50У и Р-163УП, комплекс защиты от ОМП «Велиж», навигационная аппаратура, система кондиционирования воздуха.

Т-80УМ-2 — опытная модификация Т-80УМ с комплексом активной защиты «Дрозд-2».

Т-80У (модернизированный), 2001 г. — очередная модификация Т-80У; разработан КБ ОЗТМ. Новая теплоизоляция МТО, система кондиционирования воздуха, информационно-управляющая система 1В558, усовершенствованный прицел 1Г46М, прицел командира ТО1-К04, стабилизатор вооружения 2Э42М, система замера параметров атмосферы Т04В-8, система управления зенитной установкой 1ЭЦ29.

Т-80УЕ1 (после 2001 г. — до 2009 г.) — вариант модернизации танков Т-80БВ; разработан КБ ОЗТМ. Башня от Т-80УД, СУО 1А45-1, встроенная динамическая защита корпуса и башни.

Т-80УА (после 2001 г. — до 2009 г.) — вариант единой модификации всех выпущенных до Т-80У танков по оборудованию до уровня Т-80УМ-1; разработан КБОЗТМ. Новый ночной тепловизионный прицел с оптико-электронным преобразователем третьего поколения.

Т-80УД «Берёза» («объект 478Б»), 1987 г. — основной танк; серийное производство ЛКЗ. Дизельный двигатель 6ТД мощностью 1000 л.с., зенитная пулемётная установка с дистанционным управлением, навесная динамическая защита. С 1988 г. — встроенная динамическая защита. Боевая масса — 46 т.


На базе Т-80УД на Украине создан основной танк Т-84 «Оплот» и его экспортный вариант Т-84-120 «Ятаган».

СЛУЖБА В АРМИЯХ ДРУГИХ СТРАН

Танки Т-80, находившиеся на вооружении армий Группы советских войск в Германии в 1987–1990 гг.

В середине 1980-х гг. основную часть танковых соединений Группы советских войск в Германии составляли Т-64А и Т-64Б. К 1991 г. картина кардинально изменилась: сюда пришли новые машины Т-80. Теперь три четверти машин — танки Т-80.

Ежегодник Центра анализа мировой торговли оружием, изданный в 2011 г., в своей «Базе данных по экспорту/импорту отдельных категорий вооружения и военной техники за 2003–2010 гг.» приводит данные по распространению танков, в том числе и Т-80, в различных странах мира и в Российской Федерации:

Россия:

— армия — 4500 танков Т-80, Т-80УД, Т-80УМ и Т-80У (на 2010 г.),

— морская пехота — несколько десятков Т-80БВ (на 2007 г.),

— береговые войска ВМФ — 160 Т-55М, Т-72, Т-80.

Ангола: более 300 основных и средних танков, в том числе Т-80 (на 2010 г.).

Белоруссия: 92 единицы Т-80 (на 2010 г.).

Англия: несколько Т-80У, купленных ранее через подставные организации для стратегических исследований.

Египет: 14 ед. Т-80УК и 20 ед. Т-80У, куплены в 1997 г.

Йемен: 31 ед. Т-80 (на 2005 г.), 66 ед. Т-80 поставлены из Белоруссии в 2010 г.

Кипр: 41 ед. Т-80У (на 2010 г.).

Республика Корея: 80 ед. Т-80У (на 2010 г.).

Пакистан: 320 ед. Т-80УД (на 2010 г.).

США: 1 Т-80У передан Англией, 4 Т-80УД получены из Украины в 2003 г.

Украина: 167 ед. Т-80 (2010 г.).

МОДИФИКАЦИЯ — ТАНК Т-80У

Благодаря значительному потенциалу для модернизации, заложенному в танк Т-80, его разработчики в течение длительного времени могли продолжать повышать боевые и эксплуатационные характеристики машины. Одной из основных модификаций стал танк Т-80У («объект 219АС»). Конструкторы КБ Омского завода транспортного машиностроения провели целый ряд усовершенствований, значительно повлиявших на повышение основных характеристик Т-80 — бронезащиты, огневой мощи и подвижности.

Т-80У принят на вооружение в 1985 г. Танк получил целый ряд принципиально новых агрегатов и приборов. Для защиты, кроме многослойной комбинированной брони верхнего лобового листа корпуса, композитного наполнения башни, применили комплекс встроенной динамической защиты ВДЗ. Он прикрыл более 60 % корпуса и башни при курсовых углах обстрела до ±20° — ±35°.

Разрушающее воздействие продуктов взрыва на кумулятивную струю, приводящее к её разрушению, в качестве динамической защиты (ДЗ) было впервые применено в Советском Союзе. Такие комплексы были разработаны ещё в середине 1960-х гг.

Начальные серии Т-80У оснащались навесным комплексом ДЗ «Контакт-1». В него входили металлические контейнеры, содержащие элементы защиты 4С20 (ЭДЗ), которые, в свою очередь, состояли из двух металлических пластин и слоя взрывчатого вещества (ВВ) между ними. При обнаружении радиолокационной станцией танка приближающегося снаряда контейнеры, установленные поверх брони, взрывались навстречу ему и пластины ЭДЗ разлетались, пересекая траекторию его кумулятивной струи. При этом часть её энергии расходовалась на «борьбу» с ними, а боковой импульс соударения дестабилизировал и отклонял струю в сторону. В результате такого воздействия бронебойные характеристики снижались на 50–80 процентов.

Масса одного контейнера с двумя ЭДС — 5,2 кг. Масса всего комплекса на танке равнялась 1200–1500 кг.

Позднее — в середине 1980-х гг. — стал применяться серийный комплекс универсальной встроенной защиты «Контакт-5», который уже обеспечивал защиту не только от кумулятивных, но и от бронебойных подкалиберных боеприпасов. При ударе снаряда в контейнер комплекса его крышка из толстой высокопрочной стали за счёт взрыва ВВ рассыпается, превращаясь в поток высокоскоростных осколков. Воздействие такого потока и движущихся пластин снижает бронепробиваемость кумулятивной струи и снарядов.


Демонстрация возможностей танка Т-80У на испытательной трассе Сибирского полигона. Июнь 1999 г.


Размещение в танке Т-80 аппаратуры системы управления огнём САУ 1А33:
1 — блок разрешения выстрела; 2 — прицел-дальномер; 3 — датчик линейных ускорений; 4 — баллистический вычислитель; 5 — косинусный потенциометр; 6 — датчик ветра; 7 — датчик крена; 8 — электроблок прицела-дальномера; 9 — блок управления; 10 — питающая установка; 11 — блок тахометров; 12 — ограничитель углов; 13 — прибор приведения орудия; 14 — датчик скорости.


Контейнер «Контакт-5» состоит из элементов 4С22 массой 1,37 кг и габаритами 252x132x13 мм; в него укладывалось по несколько ЭДЗ сразу. Общая масса элементов, устанавливающихся на танк, — около 500 кг, ещё около 1000 кг составляют конструкции секций и блоков размещения.

Этим комплексом начали оснащать танки Т-80У, Т-80УД, Т-72Б (начиная с 1988 г.), а затем и Т-90.

Вооружение танка Т-80У состоит из 125-мм гладкоствольной пушки 2А46М-1, 7,62-мм спаренного пулемёта ПКТ, зенитного 12,7-мм пулемёта НСВТ «Утёс», КУВ 9К119 «Рефлекс», системы постановки дымовых завес «Туча» с гранатами 902Б.

Боекомплект пушки 2А46М-1 включает 46 выстрелов из бронебойно-кумулятивных снарядов 3БК14М и 3БК27, бронебойных подкалиберных с сердечником из сплава вольфрама 3БМ42, бронебойных с сердечником из обеднённого урана 3БМ32, осколочно-фугасных 2ОФ19 и 3ОФ26. Все выстрелы — раздельно-гильзового заряжания.

Основная часть боекомплекта размещается на вращающемся транспортёре механизма заряжания (29 выстрелов); остальные — в механизированных укладках в корпусе и башне (7 снарядов и зарядов в отделении управления, 10 других — в боевом отделении).

Снаряд 3БМ42 принят на вооружение в 1986 г. Предназначен для стрельбы по танкам, самоходным артиллерийским установкам и другим бронированным целям, бронеколпакам и заслонкам амбразур долговременных огневых сооружений (ДОС) из танковой пушки 2А46М-1.


Схема современной танковой системы управления огнём.



Схема установки динамической защиты на башне танка Т-80У (слева) и схема башни танка Т-80У (справа).


Боеприпас повышенного могущества. Имеет очень сложную конструкцию, включающую в себя сплошной баллистический и бронебойный колпачок, бронебойный демпфер и два сердечника из высокопрочного вольфрамового сплава большого удлинения. Сердечники закреплены в рубашке из легкоплавкого сплава, которая при попадании в цель плавится, позволяя сердечникам войти в броню, не расходуя энергию на отделение от корпуса.

Снаряд имеет 5-лопастный стабилизатор; в хвостовой части установлен трассер.

Элементы выстрела — боеприпас с дополнительным зарядом 3БМ44 и основной метательный заряд 4Ж63 — упакованы в герметичные оцинкованные металлические пеналы цилиндрической формы.

125-мм осколочно-фугасный снаряд 3ОФ26 с выстрелом 3ВОФ36 предназначен для поражения живой силы, полевых укреплений, инженерных сооружений, огневых позиций артиллерии, миномётов, ракетных установок, пехотных огневых средств противника. Масса выстрела — 33,0 кг, масса снаряда с дополнительным зарядом — 23 кг, начальная скорость — 850 м/с.

Комплекс управляемого вооружения 9К119 «Рефлекс» предназначается для стрельбы из 125-мм гладкоствольной танковой пушки. Огонь может вестись с места и с ходу при движении танка.

Комплекс разработан в КБ Приборостроения в Туле и принят на вооружение в 1985 г.; позднее был модернизирован и получил обозначение «Рефлекс-М».

За время, прошедшие с 1976 г. — с выпуска комплекса 9К112 «Кобра», конструкторы смогли существенно снизить как массу, так и габариты новой ракеты 9М119, доведя их до обводов 125-мм артиллерийского снаряда. Кроме того, соединили в одно целое два раздельных отсека, как это было в «Кобре», оснастили ракету тандемной кумулятивной боевой частью.


Комплект навесной динамической защиты «Контакт» на лобовом листе и башне танка.


С 1992 г. танки стали вооружаться более совершенной ракетой 9М119М «Инвар», а с середины 1990-х гг. — 9М119М1 «Инвар-М».

В выстреле 3УБК14 (для 9М119М — 3УБК20) объединены ракета и метательное устройство, с помощью которого непосредственно происходит выброс из ствола пушки. Двигатель ракеты — твёрдотопливный с двумя косонаправленными соплами. Боевая часть состоит из двух зарядов — переднего, который обеспечивает преодоление динамической защиты бронетехники, и основного — непосредственно поражающего цель. Разработан также вариант ракеты с фугасной боевой частью.

Ракета выполнена по схеме «утка»; четыре пятиугольных крыла в задней части загнуты по часовой стрелке. Схема наведения — полуавтоматическая с ориентированием по лучу лазера; направленный на цель луч поступает и на приёмник, установленный на ракете.

Дальность поражения цели — до 5000 м с вероятностью 0,8. Масса выстрела — 24,3 кг, масса ракеты — 17,2 кг, длина — 680 мм, скорость полёта — 350 м/с, время полёта на максимальную дальность — 17 с.

В состав комплекса, кроме самой ракеты, входят информационный блок 9С516 и блок автоматики 9С517.

В НАТО комплекс 9К119М называют АТ-11 Sniper-C.

На танке Т-80У поставлена усовершенствованная система управления огнём СУО 1А45 «Иртыш». В неё входят: цифровой баллистический вычислитель 1В528, комплект датчиков условий стрельбы, двухплоскостной стабилизатор вооружения 2Э42-4, прицелы наводчика и командира.


Стабилизированный дневной-ночной прибор наблюдения командира ТКН-4С «Агат» прицельно-наблюдательного комплекса ПНК-4С.


Прицел-дальномер прибор наведения 1А45Т «Иртыш» с аппаратурой комплекса управляемого вооружения «Рефлекс».


К новым приборам можно отнести дневной оптический прицел 1Г46 «Иртыш», стабилизированный в двух плоскостях, со встроенным лазерным дальномером, который позволяет наводчику обнаруживать даже малоразмерные цели на расстоянии до 5000 м. В тёмное время суток используется для этого комбинированный активно-пассивный ночной прицел ТПН-4 «Буран-ПА» с дальностью действия — 1200 м. Прибор также имеет стабилизированное поле зрения и связан с механизмом наведения пушки и башни.

Командир танка ведёт наблюдение и даёт целеуказания наводчику с помощью прицельно-наблюдательного дневного-ночного комплекса ПНК-4С, имеющего независимую стабилизацию в вертикальной плоскости.

СУО позволяет наводчику и командиру вводить управляющие поправки в параметры стрельбы.



Т-80УД.

МОДЕРНИЗАЦИЯ — ТАНК Т-80УМ-1 «БАРС»

Одним из последних модернизированных вариантов стал объект «219АС-М1», или танк Т-80УМ-1 под названием «Барс», который приняли на вооружение в 1997 г.

Эта машина сохранила классическую компоновочную схему: двигатель и трансмиссия расположены в кормовой части корпуса, вооружение находится в башне. Экипаж по-прежнему состоит из трёх человек.

В процессе модернизации удалось значительно повысить степень защищённости танка. Это было достигнуто не только за счёт комбинированной многослойной брони лобовых деталей корпуса и комбинированного наполнителя в башне, установки комплекса встроенной динамической защиты, но и применения новых комплексов «Арена-Э» и «Штора-1».

Комплекс активной защиты «Арена» (КАЗ) предназначен для защиты танков и бронетехники от попадания противотанковых управляемых ракет и гранат противотанковых гранатомётов, подлетающих к цели со скоростью 70–700 м/с. Состоит из защитных блоков с боеприпасами, радиолокационной станции обнаружения, быстродействующего вычислителя и пульта управления.

Работающая в боевом режиме радиолокационная станция комплекса ведёт поиск и на расстоянии нескольких десятков метров от танка обнаруживает средства поражения, направленные в его сторону. При их выявлении она начинает сопровождение, рассчитывает точку встречи, а также определяет ближайший относительно их траектории блок, который должен противодействовать. В определённый момент защитный боеприпас (ЗБ) этого блока отстреливается, а затем на необходимом расстоянии — в точке встречи — производится подрыв его боевой части; происходит уничтожение цели на траектории вдали от танка.

Каждый из ЗБ действует в своём секторе по направлению. Радиус поражающей зоны действия — 20–30 м.

«Арена» работает в автоматическом режиме, но командир имеет возможность управлять им и вручную, например, при защите от приблизившейся вплотную пехоты противника или для разрушения препятствий. Комплекс действует в любых боевых условиях, в том числе при движении и даже во время разворота башни, при любой погоде, вне зависимости от углов подлёта средств поражения; имеет высокий уровень помехозащищённости, не реагирует на ложные и случайные сигналы.

КАЗ позволяет в два раза поднять живучесть танка в наступательных операциях, а при применении противником лёгкого противотанкового оружия — в 3–4 раза.

Комплекс оптико-электронного подавления «Штора-1» (КОЭП) создан для противодействия современным высокоточным противотанковым средствам. В его составе: индикаторы лазерного облучения, пусковые установки с дымовыми гранатами 3Д17, системы управления противодействием и прожектором; все они смонтированы на башне танка.

При обнаружении облучения от лазерного излучателя противника комплекс регистрирует его, определяет сектор расположения источника и передаёт сигнал в блок управления, отбирая соответствующую по направлению пусковую установку. Одновременно автоматически отстреливается граната, образующая дымоаэрозольное облако, которое прикрывает танк, ослабляя или нарушая работу головки самонаведения ракеты.


Модернизированный танк Т-80УМ-1 «Барс» (объект 219АС-М1). Принят на вооружение в 1997 г.


Танк с комплексом активной защиты «Арена-Э», действующим с помощью отстреливаемых защитных боеприпасов, встречающих противотанковые ракеты на траектории подлёта.


Определение подлетающей ракеты производится сначала грубыми, а затем точными индикаторами комплекса. Сектор обзора точных — составляет 45° от продольной оси машины, что определено наиболее вероятным — лобовым — направлением атаки противника. Грубые индикаторы дополняют обзор до кругового, но указывают лишь факт нахождения нападающей ракеты в секторе их действия — с точностью до 90°. Однако первичный сигнал об атаке противником подаётся именно с их помощью. При его получении экипаж может сразу же предпринять предотвращающий манёвр, постараться уйти в укрытие.

Возможна также засечка комплексом одноразовой засветки танка лазерным лучом, например, дальномером противника при подготовке стрельбы из артиллерийского орудия, дальнейшее определение местонахождения противника и, как следствие, производство упреждающего выстрела на поражение. При этом можно также с помощью гранат сначала укрыть танк облаком.

Граната 3Д17 комплекса отстреливается на дальность 50–80 м, где образует облако шириной 20 м и высотой 10 м, нижним своим краем касающееся земли. Завеса перекрывает сектор в 20° относительно танка.


Радиолокационная станция КАЗ «Арена» производит поиск целей, подлетающих к танку.



Схема работы КАЗ «Арена»:
1 — засечка РЛС комплекса подлетающей ракеты; 2 — отстрел защитного боеприпаса; 3 — вылет боеприпаса на дальность 20–30 м навстречу цели; 4 — подрыв; 5 — поражение цели элементами заряда боеприпаса.


Танк, вооружённый комплексом оптико-электронного подавления «Штора-1», воздействующим на головки самонаведения противотанковых ракет и гранат РПГ. Над маской пушки видны точные индикаторные головки отслеживания траектории полёта цели.


На Т-80УМ-1 установлена 125-мм гладкоствольная пушка-пусковая установка 2А46М-4; за счёт повышения жёсткости её ствола точность стрельбы повышена на 20 %. Автомат заряжания обеспечивает темп стрельбы 7–9 выстр./мин. В его контейнере укладывается 28 выстрелов.

«Барс» имеет усовершенствованный комплекс противохимической и радиационной разведки «Велиж», обладающий большей чувствительностью и быстродействием. Кроме того, «Велиж» компактен, прост в обращении и обеспечивает быстрый самоконтроль.

Двигатель танка — многотопливный ГТД-1250Г мощностью 1250 л.с. с гидрообъёмной передачей. С её помощью средняя скорость машины увеличилась до 12 %, время прохождения поворотов снизилось на 33 %, расход топлива уменьшился на 5-10 %.

В танке смонтирована система кондиционирования воздуха, имеющая индивидуальную разводку к каждому члену экипажа, не только охлаждающая, но и осушающая рабочие зоны, что особо необходимо в странах с жарким и влажным климатом.

Связь осуществляется с помощью радиостанции Р-163-50У и радиоприёмника Р-163-УП, работающих в УКВ-диапазоне в помехозащищённом режиме.


Схема работы комплекса оптико-электронного подавления «Штора-1»:
1 — танк; 2 — индикаторный блок; 3 — передние тонкие детекторные головки; 4 — задние грубые детекторные головки.

СПЕЦИАЛЬНЫЕ МАШИНЫ НА БАЗЕ ТАНКА Т-80

Бронированная ремонтно-эвакуационная машина БРЭМ-80У
БРЭМ-80У создана на базе танка Т-80 и сохраняет все его возможности по скорости, манёвренности, преодолению препятствий, бронезащите экипажа. Она предназначена для комплексного ремонта танков и бронетехники в полевых условиях, помощи экипажам повреждённых машин, эвакуации аварийной бронетехники с поля боя, являясь, таким образом, подвижным средством обеспечения бронетанковых подразделений.

БРЭМ снабжена подъёмным краном, способным поднимать груз массой 18–25 т, сварочным оборудованием, двумя лебёдками.

Машина вытаскивает застрявшую технику с помощью главной лебёдки с тяговым усилием 35 т (с полиспастом — до 140 т); она имеет высокие показатели по выдаче троса — 50 м/мин. и для его намотки — две скорости (17 м/мин. и 50 м/мин.). Установлена ещё и вспомогательная лебёдка с усилием в 1 т, которая выполняет более широкий спектр ремонтных задач.

Для проведения земляных работ и расчистки завалов машина оснащена бульдозерным отвалом шириной 3300 мм.

В двух контейнерах, размещённых на грузовой платформе, перевозятся инструмент и запасные части, необходимые для различного ремонта боевой техники.

Двигатель машины — танковый ГТД-1250 мощностью 1250 л.с. Имеется также независимый вспомогательный электроагрегат для питания на стоянке при неработающем главном двигателе сварочного аппарата и приборов.

Экипаж — 4 человека: командир, механик-водитель, сварщик-такелажник, слесарь-специалист по оборудованию.

БРЭМ вооружена крупнокалиберным 12,7-мм пулемётом НСВТ; имеются на борту также штатные 5,45-мм автоматы АКС-74 (4 единицы), ручной гранатомёт РПГ-7. На корпусе размещены 8 пусковых установок системы пуска дымовых гранат 902Б.


Бронированная ремонтно-эвакуационная машина БРЭМ-80У.


Подобно танку Т-80, машина снабжена широким набором приборов наблюдения и вождения. У командира находятся призменный ТНП-165А, ТНПО-160 и комбинированный электронно-оптический прибор ТКН-4С, для обзора у механика-водителя установлен прибор ночного видения ТВН-5, такелажник и специалист по системам также имеют по прибору ТНП-165А. В качестве курсоуказателя используется гирополукомпас ГПК-59.

Связь осуществляется с помощью приёмопередатчика Р-163-50У и радиоприёмника Р-163-УП с дальностью действия до 20 км. Для внутренней связи — аппаратура Р-174 на четыре абонента.

БРЭМ-80У разработана в КБ транспортного машиностроения в Омске. Выпускается на Омском заводе транспортного машиностроения.


БРЭМ-80У: с её левого борта находился подъёмный кран.



Самоходно-артиллерийская установка 2С19-С «Мста-С»
Высокомобильная бронированная самоходная установка «Мста-С» в экспозиции выставки Международного форума в подмосковном городе Жуковском. Июль 2010 г.


Высокомобильная бронированная самоходная установка САУ 2С19 «Мcта» создавалась для контрартиллерийской борьбы — поражения артиллерийских и миномётных батарей противника, его тактических ядерных средств; для нанесения ударов по скоплению бронетехники, живой силы, а также уничтожения сил противовоздушной обороны.

Год принятия САУ «Мста-С» на вооружение артиллерийских полков мотострелковых и танковых дивизий — 1989-й.

Установка разрабатывалась в Конструкторском бюро Уральского завода транспортного машиностроения в Свердловске (ныне ФГУП «Уралтрансмаш»). По техническому заданию Главного ракетно-артиллерийского управления необходимо было скомпоновать ходовую часть танка Т-80 с гаубицей калибра 152 мм.

Так и получилось, установка оказалась выполненной по классической схеме самоходного гусеничного шасси, унифицированного по основным узлам и агрегатам с ходовой частью Т-80, с моторным отделением в корме.

Бронированный корпус САУ рассчитан на защиту экипажа, вооружения и оборудования от бронебойных пуль и осколков снарядов. Лобовая часть корпуса изготовлена из гомогенной броневой стали. Масса корпуса — 42 000 кг.

Башня — сварная, из катаных броневых листов, расположена по центру корпуса. В ней размещены пушка-гаубица, приборы систем наведения и прицеливания, механизм заряжания, средства связи. Масса башни (без боекомплекта) — 13 500 кг.

Вооружение составляют нарезная гаубица 2А64 и 12,7-мм зенитный пулемёт НСВТ-12,7. Огонь может вестись осколочно-фугасными (ОФС), активно-реактивными снарядами (АРС) с раздельно-гильзовым заряжанием, а также управляемыми боеприпасами (УБ) «Краснополь» с лазерной подсветкой и снарядами-постановщиками активных радиолокационных помех типа 3НС30. Дальность стрельбы АРС 3ОФ61 — 26 900 м, ОФС 3ОФ45 — 24 700 м, УБ 3ОФ39 — 20 000 м. Система перезаряжания — полуавтоматическая, обеспечивающая темп огня 7–8 выстр./мин. Возможно заряжание пушки непосредственно с грунта с помощью конвейеров подачи, не расходуя уложенный внутренний боезапас. Стреляные гильзы автоматически выбрасываются наружу через специальный подствольный лючок. Масса одного снаряда — до 42 кг.

Крупнокалиберный пулемёт НСВТ «Утёс» с прицелом ПЗУ-7 размещён в пулемётной зенитной установке с дистанционным управлением из башни. Дальность его стрельбы по воздушным целям — 2000 м, скорострельность — 700–800 выстр./мин.

Боекомплект установки состоит из 50 выстрелов и 300 пулемётных патронов. Масса его — 2470 кг.

САУ снабжена панорамным прицелом 1П22 с автоматической горизонтальной стабилизацией поля зрения при крене машины более 5°, расположенным в поворотном колпаке на крыше башни, и прицелом прямой наводки 1П23 с 5,5-кратным увеличением — в лобовом окне башни.

Двигатель установки В-84А — многотопливный V-образный 12-цилиндровый четырёхтактный дизель с жидкостным охлаждением мощностью 840 л.с. Коробка передач — семискоростная, с задним ходом.

Ходовая часть машины аналогична танку Т-80. Имеет шесть опорных катков и пять поддерживающих роликов на борт, заднее колесо — ведущее, направляющее — переднее. Подвеска — независимая, с «длинными» торсионами. Ширина резинометаллической гусеницы — 580 мм.

В состав оборудования САУ входят: автоматическая противопожарная система трёхкратного действия, две фильтровентиляционные установки, система 902 «Туча» с дымовыми 81-мм гранатами, бульдозерная система самоокапывания.

Система внутренней связи обеспечивается телефонной аппаратурой 1В116 на 7 абонентов; внешней — УКВ-радиостанцией Р-173 с дальностью действия до 20 км.

Первые установки «Мста-С» были выпущены на предприятии «Уралтрансмаш», позднее серийное производство было передано заводу в башкирском Стерлитамаке.

Впервые самоходную установку показали в 1992 г. на Авиасалоне в г. Жуковский под Москвой. Затем в 1993 г. — представили на международной выставке IDEX-93 в Объединённых Арабских Эмиратах, где во время показательной стрельбы были поражены сорока снарядами 38 целей на дальности 15 км.

В настоящее время для повышения эффективности боевого применения установок «Мста-С» разработаны в звене батарея-дивизион универсальная автоматизированная система управления огнём АСУО «Капустник-Б» и автоматизированная система управления и наведения «Успех-С». Для этого созданы командно-наблюдательный пункт 1В152 на бронетранспортёре БТР-80 и унифицированный пункт управления огнём 1В153 на автомобиле «Урал-4320». С их помощью существенно сокращается время на открытие огня артиллерийскими подразделениями.

Батарея установок «Мста-С», состоящая из восьми машин, в минуту может выстрелить до 3 т снарядов. В таком случае, при ведении огня на максимальную дальность, в воздухе одновременно может оказаться 70 снарядов до падения первого из них.


САУ «Мста-С».



Быстроходная траншейная машина БТМ-4М «Тундра»
БТМ-4М.


Армейская машина БТМ-4М «Тундра» предназначена для быстрой проходки траншей, рытья и засыпки котлованов, расчистки и планировки местности в условиях бездорожья, труднопроходимых районов и вечной мерзлоты. Её специальное оборудование обеспечивает выполнение задач, а также преодоление заражённой местности без выхода экипажа.

В кормовой части машины установлен землеройный ротор. Рабочий агрегат его — круговая конструкция со съёмными резцами, армированными высокотвёрдым сплавом, диаметром 3300 мм. Ротор шарнирно соединён с рамой корпуса, может опускаться на грунт при переходе из походного положения в рабочее; регулировка производится с помощью пяти гидроцилиндров.

Впереди «Тундра» имеет бульдозерный отвал с четырьмя управляющими гидроцилиндрами; в его задней части имеются башмаки, позволяющие использование для снегоочистки дорог.

Скорость продвижения БТМ-4М зависит от характера грунта и в обычном грунте при глубине траншеи 1,5 м составляет 1000 м/ч, в мёрзлом — 250 м/ч.

Габариты машины — 10700х3380х3710 мм, её масса — 47 800 кг, мощность двигателя — 840 л.с. Скорость по шоссе — 50 км/ч. Экипаж — 2 человека.


Высокозащищённое транспортное средство «Ладога»
Тяжёлая командно-штабная и разведывательная машина специального назначения «Ладога» создана в 1982 г. в Специальном конструкторском бюро транспортного машиностроения Кировского завода на базе танка Т-80. Она предназначалась для автономного действия в условиях чрезвычайных ситуаций, сопровождаемых высоким уровнем радиационного, химического или бактериологического воздействия.

На шасси танка сконструировали бронированный корпус с абсолютной внутренней герметизацией. В нём разместили систему кондиционирования, очистки и увлажнения воздуха, фильтровентиляционную установку, оборудование жизнедеятельности, средства связи и наблюдения, приборы измерения параметров внешней среды, видеокамеры, а также средства наблюдения — перископы и приборы ночного видения. В случае работы в загрязнённой обстановке предусматривалась подача чистого воздуха из специального баллона, установленного в моторном отсеке. Внутри корпус защищён подбоем — противонейтронной защитой, основой которого являлся изотоп бора-10В. Аналог такой системы автономного обеспечения был применён в космонавтике.

Силовая установка машины — танковый газотурбинный двигатель ГТД-1250 мощностью 1250 л.с. Учитывая возможность работы машины в особых условиях, в двигателе применена система встряхивания и выброса попавшей в компрессор пыли.

В 1986 г. «Ладога» применялась в ликвидации последствий аварии на Чернобыльской АЭС с целью рекогносцировки и контроля радиационной обстановки вблизи аварийного реактора, вплотную подходя к разрушенному энергоблоку.


ВТС «Ладога».


ЛИТЕРАТУРА

1. Борисюк М. Изделия, разработанные ХКМБ. — Харьков, ХКБМ, 2002.

2. Танк Т-80Б. Техническое описание и инструкция по эксплуатации. — М., Воениздат, 1984.

3. Markov D. Russianʼs Main Battle Tank. — Concord PC, Hong Kong, 1987

4. Zaloga S. T-64 and T-80. — Concord PC, Hong Kong, 1992

5. Tanky. № 7, 2007 г. — Polskie Media Com., Познань, 2007


ИЛЛЮСТРАЦИИ


Танк Т-80У в экспозиции Международного форума «Технологии в машиностроении-2010» в подмосковном городе Жуковском. Июль 2010 г.


Танк Т-80У на полуприцепе-тяжеловозе ТСП-4161 подготовлен к транспортировке.


Танк Т-80 на зимних войсковых учениях в Подмосковье.


Танк Т-80 из состава первого танкового батальона, прибывшего на Курильские острова. Октябрь 2011 г.



Оглавление

  • СОЗДАНИЕ ТАНКА С ГТД
  • КОНСТРУКЦИЯ ТАНКА Т-80Б
  • МОДИФИКАЦИИ ТАНКА Т-80
  • СЛУЖБА В АРМИЯХ ДРУГИХ СТРАН
  • МОДИФИКАЦИЯ — ТАНК Т-80У
  • МОДЕРНИЗАЦИЯ — ТАНК Т-80УМ-1 «БАРС»
  • СПЕЦИАЛЬНЫЕ МАШИНЫ НА БАЗЕ ТАНКА Т-80
  • ЛИТЕРАТУРА
  • ИЛЛЮСТРАЦИИ